IHF襯氟塑料離心泵產品簡介:
lHF型襯氟塑料離心泵是泉達公司技術人員按IH不銹鋼離心泵圖樣泵體、泵蓋接觸液體的部分采用氟塑料增強合金襯里壓制,葉輪、軸套、葉輪螺母等過流部件均采用氟塑料增強合金壓制,其性能、連接安裝尺寸與lH型泵保持不變,是一種耐腐性能強的離心泵。
IHF化工泵為單級單吸懸臂式離心泵。其標記、額定性能點和尺寸等效采用國際標準IS02858-1975(E)、是取代F型耐腐蝕離心泵的節能,更新換代產品。能滿足化工流程中輸送有腐蝕性粘度類似于水的液體。
IHF襯氟塑料離心泵產品用途:
IHF型泵為單級單吸式氟塑料合金化工離心泵,是按國標設計并結合非金屬泵的加工工藝設計生產的。該泵具有耐腐、耐磨、耐高溫、不老化、機械強度高、無毒素分解、使用溫度寬,輸送介質溫度為-85C~200。C等優點。該泵廣泛適用于化工、制藥、石油、冶金、電力、電鍍、酸洗、農藥、造紙等行業中液體輸送、廢水處理和加酸等工藝流程。本泵可輸送任何濃度的硫酸、鹽酸、硝酸、醋酸、氫氟酸、王水、強鹼、強氧化劑、有機溶劑等強腐蝕性介質的使用,是目前最先進的耐腐蝕裝備之一。
IHF襯氟塑料離心泵技術參數:
流量:6.3~400m3/h;
揚程:5~132m;
轉速:2900、1450r/min;
功率:0.55~110KW;
進口直徑:50~200mm;
最高工作壓力:1.6Mpa。
IHF襯氟塑料離心泵型號意義:

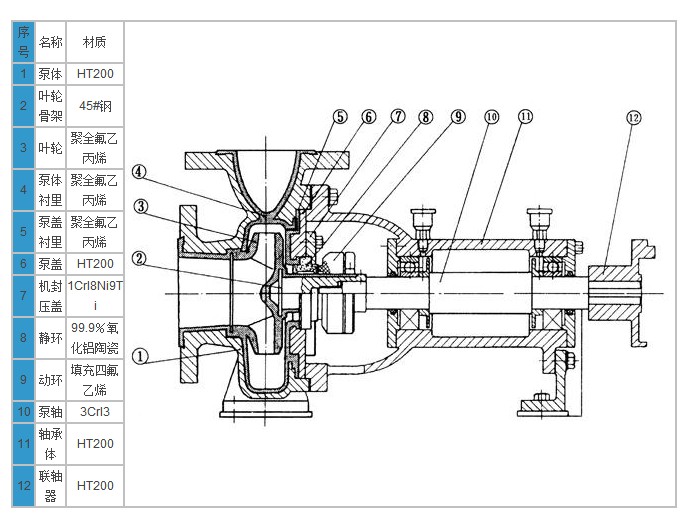
IHF襯氟塑料離心泵結構圖:

IHF襯氟塑料離心泵性能參數:
|
型 號
|
轉速
r/min
|
流量Q
|
揚程
m
|
效率
%
|
功率 P
|
必耐汽
蝕余量
(m)
|
|
m3/h
|
L/s
|
軸功率
|
電機功率
|
|
(KW)
|
|
IHF32-25-125
|
2900
|
3.5
|
0.97
|
21
|
40
|
0.5
|
1.5
|
2.3
|
|
5
|
1.39
|
20
|
44
|
0.62
|
|
6.5
|
1.8
|
18
|
42
|
0.76
|
|
1450
|
1.75
|
0.49
|
5.25
|
37
|
0.068
|
0.75
|
2.3
|
|
2.5
|
0.69
|
5
|
40
|
0.085
|
|
3.25
|
0.9
|
4.5
|
38
|
0.105
|
|
IHF32-25-125A
|
2900
|
3.1
|
0.06
|
17.6
|
38
|
0.7
|
1.1
|
2.3
|
|
4.5
|
1.25
|
16
|
41
|
0.48
|
|
5.8
|
1.61
|
14.4
|
40
|
0.57
|
|
IHF32-25-160
|
2900
|
3.5
|
0.97
|
33
|
34
|
0.93
|
2.2
|
2.3
|
|
5
|
1.39
|
32
|
40
|
1.1
|
|
6.5
|
1.8
|
30
|
42
|
1.26
|
|
1450
|
1.75
|
0.49
|
8.25
|
30
|
0.131
|
0.75
|
2.3
|
|
2.5
|
0.69
|
8
|
38
|
0.143
|
|
3.25
|
0.9
|
7.5
|
40
|
0.166
|
|
IHF32-25-160A
|
2900
|
3.1
|
0.86
|
29
|
30
|
0.81
|
1.5
|
2.3
|
|
4.5
|
1.25
|
28
|
35
|
0.97
|
|
5.8
|
1.61
|
26
|
36
|
1.14
|
|
IHF40-32-125
|
2900
|
4.4
|
1.22
|
21
|
40
|
0.63
|
2.2
|
2.5
|
|
6.5
|
1.8
|
20
|
45
|
0.79
|
|
8.3
|
2.31
|
18
|
43
|
0.95
|
|
1450
|
2.2
|
0.6
|
5.25
|
37
|
0.085
|
0.75
|
2.5
|
|
3.25
|
0.9
|
5
|
41
|
0.108
|
|
4.15
|
1.15
|
4.5
|
40
|
0.127
|
|
IHF40-32-125A
|
2900
|
3.9
|
1.08
|
17.6
|
38
|
0.49
|
1.5
|
2.5
|
|
5.6
|
1.56
|
16
|
42
|
0.58
|
|
7.4
|
2.06
|
14.4
|
40
|
0.72
|
|
IHF40-32-160
|
2900
|
4.4
|
1.22
|
33
|
34
|
1.16
|
2.2
|
2.5
|
|
6.5
|
1.8
|
32
|
40
|
1.42
|
|
8.3
|
2.31
|
30
|
39
|
1.71
|
|
1450
|
2.2
|
0.6
|
8.25
|
33
|
0.14
|
0.75
|
2.5
|
|
2.5
|
0.9
|
8
|
36
|
0.15
|
|
3.25
|
1.15
|
7.5
|
37
|
0.18
|
|
IHF40-32-160A
|
2900
|
3.9
|
1.08
|
29
|
32
|
0.96
|
1.5
|
2.5
|
|
5.6
|
1.56
|
28
|
38
|
1.23
|
|
7.4
|
2.06
|
26
|
37
|
1.41
|
|
IHF50-32-125
|
2900
|
8.8
|
1.08
|
21.5
|
45
|
1.15
|
2.2
|
3.0
|
|
12.5
|
1.56
|
20
|
54
|
1.26
|
|
16.3
|
2.06
|
17.5
|
53
|
1.47
|
|
1450
|
4.4
|
1.2
|
5.37
|
37
|
0.17
|
0.75
|
3.0
|
|
6.25
|
1.74
|
5
|
46
|
0.18
|
|
8.15
|
2.26
|
4.37
|
45
|
0.22
|
|
IHF50-32-125A
|
2900
|
8
|
2.22
|
17
|
42
|
0.88
|
1.5
|
3.0
|
|
11
|
3.05
|
16
|
52
|
0.92
|
|
14.5
|
4.03
|
14
|
51
|
1.08
|
|
IHF50-32-160
|
2900
|
8.8
|
2.44
|
33
|
41
|
1.93
|
4
|
3.0
|
|
12.5
|
3.47
|
32
|
48
|
2.27
|
|
16.3
|
4.53
|
30
|
47
|
2.84
|
|
1450
|
4.4
|
1.2
|
8.25
|
31
|
0.31
|
0.75
|
3.0
|
|
6.25
|
1.74
|
8
|
41
|
0.33
|
|
8.15
|
2.26
|
7.5
|
42
|
0.39
|
|
IHF50-32-160A
|
2900
|
8.2
|
2.28
|
29
|
39
|
1.16
|
3
|
3.0
|
|
11.7
|
3.25
|
28
|
47
|
1.88
|
|
15.2
|
4.22
|
26
|
46
|
2.34
|
|
IHF50-32-200
|
2900
|
8.8
|
2.44
|
52
|
34
|
3.7
|
7.5
|
3.0
|
|
12.5
|
3.47
|
50
|
42
|
4.1
|
|
16.3
|
4.53
|
48
|
41
|
5.2
|
|
1450
|
4.4
|
1.2
|
13
|
25
|
0.62
|
1.5
|
3.0
|
|
6.25
|
1.74
|
12.5
|
33
|
0.65
|
|
8.15
|
2.26
|
12
|
36
|
0.74
|
|
IHF50-32-200A
|
2900
|
8.2
|
2.28
|
45
|
31
|
3.24
|
5.5
|
3.0
|
|
11.7
|
11.7
|
44
|
40
|
3.5
|
|
15.2
|
15.2
|
42
|
39
|
4.45
|
|
IHF50-32-250
|
2900
|
8.8
|
8.8
|
82
|
27
|
7.3
|
11
|
3.0
|
|
12.5
|
12.5
|
80
|
35
|
7.8
|
|
16.3
|
16.3
|
76
|
34
|
10
|
|
1450
|
4.4
|
4.4
|
20.5
|
20
|
1.22
|
2.2
|
3.0
|
|
6.25
|
6.25
|
20
|
27
|
1.26
|
|
8.15
|
8.15
|
19
|
30
|
1.4
|
|
IHF50-32-250A
|
2900
|
8.2
|
8.2
|
71
|
25
|
4.53
|
7.5
|
3.0
|
|
11.7
|
11.7
|
70
|
34
|
6.56
|
|
15.2
|
15.2
|
68
|
33
|
8.52
|
|
IHF65-50-125
|
2900
|
17.5
|
17.5
|
21.5
|
56
|
1.83
|
3
|
3.5
|
|
25
|
25
|
20
|
64
|
2.13
|
|
32
|
32
|
17.5
|
63
|
2.42
|
|
1450
|
8.72
|
8.75
|
5.37
|
45
|
0.28
|
0.75
|
3.5
|
|
12.5
|
12.5
|
5
|
57
|
0.3
|
|
16
|
16
|
4.37
|
58
|
0.33
|
|
IHF65-50-125A
|
2900
|
15.6
|
15.6
|
17
|
53
|
1.36
|
2.2
|
3.5
|
|
22.3
|
22.3
|
16
|
62
|
1.57
|
|
29
|
29
|
14
|
61
|
1.79
|
|
IHF65-50-160
|
2900
|
17.5
|
17.5
|
33
|
50
|
3.15
|
5.5
|
3.5
|
|
25
|
25
|
32
|
59
|
3.69
|
|
32
|
32
|
27.5
|
57
|
4.2
|
|
1450
|
8.75
|
8.75
|
8.25
|
40
|
0.49
|
1.1
|
3.5
|
|
12.5
|
12.5
|
8
|
53
|
0.51
|
|
16
|
16
|
6.87
|
51
|
0.59
|
|
IHF65-50-160A
|
2900
|
16.4
|
16.4
|
29
|
48
|
2.7
|
4
|
3.5
|
|
23.3
|
23.3
|
28
|
58
|
3.1
|
|
30.4
|
30.4
|
24
|
56
|
3.54
|
|
IHF65-40-200
|
2900
|
17.5
|
17.5
|
52
|
45
|
5.5
|
11
|
3.5
|
|
25
|
25
|
50
|
54
|
6.3
|
|
32
|
32
|
45.5
|
54
|
7.35
|
|
1450
|
8.75
|
8.75
|
13
|
36
|
0.86
|
1.5
|
3.5
|
|
12.5
|
12.5
|
12.5
|
46
|
0.93
|
|
16
|
, , ,
16
|
11.4
|
47
|
1.05
|
|
IHF65-40-200A
|
2900
|
16.4
|
16.4
|
46
|
43
|
4.3
|
7.5
|
3.5
|
|
23.3
|
23.3
|
44
|
53
|
5
|
|
30.4
|
30.4
|
40
|
52
|
5.2
|
|
IHF65-40-250
|
2900
|
17.5
|
17.5
|
82
|
39
|
10.1
|
18.5
|
3.5
|
|
25
|
25
|
80
|
50
|
10.9
|
|
32
|
32
|
76
|
52
|
12.74
|
|
1450
|
8.75
|
8.75
|
20.5
|
32
|
1.52
|
3
|
3.5
|
|
12.5
|
12.5
|
20
|
42
|
1.62
|
|
16
|
16
|
19
|
44
|
1.88
|
|
IHF65-40-250A
|
2900
|
16.4
|
16.4
|
71
|
36
|
8.8
|
15
|
3.5
|
|
23.3
|
23.3
|
70
|
48
|
9.3
|
|
30.4
|
30.4
|
68
|
50
|
11.25
|
|
IHF80-65-125
|
2900
|
35
|
35
|
21.5
|
64
|
3.2
|
5.5
|
4.0
|
|
50
|
50
|
20
|
69
|
3.95
|
|
65
|
65
|
17
|
67
|
4.5
|
|
1450
|
17.5
|
17.5
|
5.37
|
54
|
0.47
|
1.1
|
4.0
|
|
25
|
25
|
5
|
64
|
0.53
|
|
32.5
|
32.5
|
4.25
|
62
|
0.61
|
|
IHF80-65-125A
|
2900
|
31
|
31
|
17
|
62
|
2.3
|
4
|
4.0
|
|
45
|
45
|
16
|
68
|
2.88
|
|
58
|
58
|
14
|
67
|
3.3
|
|
IHF80-65-160
|
2900
|
35
|
35
|
33
|
60
|
5.24
|
11
|
4.0
|
|
50
|
50
|
32
|
68
|
6.41
|
|
65
|
65
|
27.5
|
67
|
7.27
|
|
IHF80-65-160
|
1450
|
17.5
|
4.86
|
8.25
|
50
|
0.78
|
1.5
|
4.0
|
|
25
|
6.9
|
8
|
62
|
0.88
|
|
32.5
|
9
|
6.88
|
61
|
1
|
|
IHF80-65-160A
|
2900
|
31
|
8.6
|
29
|
58
|
4.1
|
7.5
|
4.0
|
|
45
|
12.5
|
28
|
67
|
5.12
|
|
58
|
16.1
|
24
|
66
|
5.34
|
|
IHF80-50-200
|
2900
|
35
|
9.72
|
52
|
52
|
9.53
|
15
|
4.0
|
|
50
|
13.9
|
50
|
64
|
10.64
|
|
65
|
18.1
|
45.5
|
65
|
12.39
|
|
1450
|
17.5
|
4.86
|
13
|
51
|
1.21
|
3
|
4.0
|
|
25
|
6.9
|
12.5
|
59
|
1.44
|
|
32.5
|
9
|
11.38
|
58
|
1.74
|
|
IHF80-50-200A
|
2900
|
31
|
8.6
|
46
|
50
|
7.35
|
11
|
4.0
|
|
45
|
12.5
|
44
|
63
|
8.56
|
|
58
|
16.1
|
40
|
62
|
10
|
|
IHF80-50-250
|
2900
|
35
|
9.72
|
82
|
40
|
19.4
|
30
|
4.0
|
|
50
|
13.9
|
80
|
50
|
21.8
|
|
65
|
18.1
|
72
|
51
|
25
|
|
1450
|
17.5
|
4.86
|
20.5
|
40
|
2.4
|
4
|
4.0
|
|
25
|
6.9
|
20
|
50
|
2.7
|
|
32.5
|
9
|
18
|
51
|
3.12
|
|
IHF80-50-250A
|
2900
|
31
|
8.6
|
71.5
|
39
|
15.4
|
22
|
4.0
|
|
45
|
12.5
|
70
|
50
|
17.6
|
|
58
|
16.1
|
63
|
51
|
19.9
|
|
IHF100-80-125
|
2900
|
70
|
19.4
|
23
|
70
|
6.26
|
11
|
5.0
|
|
100
|
27.8
|
20
|
75
|
7.26
|
|
130
|
36.1
|
14
|
65
|
7.63
|
|
1450
|
35
|
9.7
|
5.75
|
65
|
0.85
|
1.5
|
4.5
|
|
50
|
13.9
|
5
|
70
|
0.97
|
|
65
|
18
|
3.5
|
64
|
0.98
|
|
IHF100-80-125A
|
2900
|
62.6
|
17.4
|
18
|
68
|
4.5
|
7.5
|
5.0
|
|
89
|
24.7
|
16
|
73
|
5.3
|
|
116
|
32.2
|
11
|
65
|
5.74
|
|
IHF100-80-160
|
2900
|
70
|
19.4
|
34
|
68
|
9.53
|
15
|
5.0
|
|
100
|
27.8
|
32
|
74
|
11.78
|
|
130
|
36.1
|
24
|
65
|
13.03
|
|
1450
|
35
|
9.7
|
8.5
|
60
|
1.35
|
2.2
|
4.5
|
|
50
|
13.9
|
8
|
68
|
1.6
|
|
65
|
18
|
6.5
|
67
|
1.69
|
|
IHF100-80-160A
|
2900
|
65.4
|
18.2
|
32
|
66
|
8.6
|
11
|
5.0
|
|
93.5
|
26
|
28
|
73
|
9.3
|
|
121
|
33.6
|
21
|
65
|
10.6
|
|
IHF100-65-200
|
2900
|
70
|
19.4
|
52
|
64
|
15.5
|
30
|
5.0
|
|
100
|
27.8
|
50
|
72
|
18.91
|
|
130
|
36.1
|
42
|
71
|
20.94
|
|
1450
|
35
|
9.7
|
13
|
60
|
2.06
|
4
|
4.5
|
|
50
|
13.9
|
12.5
|
68
|
2.5
|
|
65
|
18
|
10.5
|
63
|
2.95
|
|
IHF100-65-200A
|
2900
|
65.4
|
18.2
|
46
|
63
|
13
|
22
|
5.0
|
|
93.5
|
26
|
44
|
71
|
15.02
|
|
121
|
33.6
|
37
|
70
|
17.4
|
|
IHF100-65-250
|
2900
|
70
|
19.4
|
87
|
62
|
26.6
|
45
|
4.0
|
|
100
|
27.8
|
80
|
69
|
31.6
|
|
130
|
36.1
|
68
|
68
|
35
|
|
1450
|
30
|
8.33
|
21.2
|
58
|
3
|
5.5
|
4.5
|
|
50
|
13.9
|
20
|
63
|
4.3
|
|
60
|
16.7
|
18.5
|
62
|
4.72
|
|
IHF100-65-250A
|
2900
|
65.4
|
16.2
|
76.5
|
60
|
20.25
|
37
|
4.5
|
|
93.5
|
26
|
70
|
68
|
26.2
|
|
121
|
33.6
|
59
|
67
|
28
|
<IHF型臥式襯氟塑料離心泵>性能曲線圖:

IHF襯氟塑料離心泵安裝尺寸:

IHF襯氟塑料離心泵安裝示意圖:

IHF臥式襯氟塑料離心泵安裝注意事項:
1、泵的安裝是否合理,對泵的正常運行與使用壽命有極其重要的影響,故安裝和校正必須仔細進行。
2、對照安裝尺寸預埋好底腳螺栓,做好混凝土基礎工作。
3、待基礎水泥凝固后,將泵安裝基礎上,應用水平儀檢查泵和電機軸的水平情況,如不水平,應用墊鐵調正直至水平,調妥后擰緊底腳螺母,
4、檢查泵的轉動部件是否有卡住擦碰現象,應嚴格檢查泵軸與電機的同軸度,可用薄片調整使其同心,最后用手轉動聯軸器,轉動輕松均勻無擦碰現象則為正常。
5、泵的吸入和吐出管路應有各自的支架,不允許管路的重量直接由泵來承受,以免把泵壓壞,
6、泵的安裝位置高于液面(在泵的吸程允許范圍內)時,應在吸入管路端部安裝上底閥,并在排出管路上設置灌液螺孔或閥門,供泵起動前灌液之用;泵的安裝位置低于液面時,應在吸入管路上按裝控制閥門和過濾裝置,以防止雜物吸入泵內,過濾面積應大于管路面積的3-4倍。
7、揚程高的泵在出口流量控制閥門的外端管路上還應安裝逆止閥,以防止突然停機時的水錘破壞。
8、必須保證泵的安裝高度符合泵的汽蝕余量,并考慮管路損失及介質溫度。
IHF襯氟塑料離心泵運行與保養:
泵的起動、運轉與停止
1. 泵起動前應將泵內灌滿加足輸送的液體,嚴禁無液起動。
2. 關閉出口閥門,接通電源后馬上檢查泵的轉向必須按泵的轉向箭頭一致,嚴禁逆向運轉,
3. 泵起動后達到正常轉速時,再逐漸打開出口閥門,并調節到所需要的工況投入運行。在吐出管路上的閥門關閉情況下,泵連續工作的時間不能超過3分鐘。
4. 停機時應先將出口的閥門關閉,然后再切斷電源。
維修與保養
1. 定期檢查泵和電機,更換易損零件。
2. 經常注意對軸承箱加注優質鈣基潤滑脂,以保下軸承良好的潤滑狀態。
3. 長期停機不使用時,除將泵內腐蝕性液體放凈外,更應注意各部件及泵內流道的清洗干凈,并切斷電源。
4. 泵嚴禁空載運轉。
5. 介質中如含有固體顆粒時,應在泵入口處須加過濾器。
IHF襯氟塑料離心泵故障原因及排除方法:
|
故障現象
|
原因分析
|
排除方法
|
|
泵不出液體
|
1.電機轉向不對
2.泵體內儲液不足
3.吸入管內有空氣漏入
|
1.調整轉向
2.重新加足液體
3.排除空氣體
|
|
泵不吸液體
|
1.底閥沒有打開或堵塞
2.吸程太高或吸入管路太長
3.吸入管路有雜物質堵塞
|
1.校正或更換底閥
2.降低吸程或縮短管路
3.清除堵塞雜物
|
|
泵流量不足
|
1.葉輪損壞
2.吸入或出口部分被堵塞
3.功率不足轉速太低
|
1.更換葉輪
2.清除堵塞雜物
3.檢查電機提高轉速
|
|
泵揚程不足
|
1.葉輪損壞
2.輸送介質內有空氣
3.轉速不夠
|
1.更換葉輪
2.重新灌注液體或排除空氣
3.檢查電機提高轉速
|
|
噪音或振動
|
1.泵軸與電機軸不同心
2.底腳螺母松動
3.吸程太高
|
1.校正泵與電機同軸度
2.擰緊底腳螺母
3.降低安裝高度
|
|
軸承溫升過高
|
1.軸承損壞
2.潤滑脂變質干燥或缺少
|
1.更換
2.更換、加注潤滑脂
|
|
泵泄漏
|
1.機械密封件損壞
2.連接螺栓有松動現象
|
1.更換
2.擰緊各部位螺栓
|
相關關鍵詞:IHF型襯氟塑料離心泵,襯氟離心泵
訂貨請盡量提供:
1.型號2.口徑3.揚程(m)4.流量5.電機功率(KW)6.轉速(R/min)7.材質是否帶附件8.電壓(V)

感謝訪問泉達,我公司主要生產管道泵,自吸泵,排污泵等產品
相關產品:
ISWH不銹鋼臥式離心泵 臥式離心泵泉達生產,廠家直銷 IHF襯氟離心泵 FSB合金氟塑料離心泵 ISW臥式離心泵
DG型高壓臥式離心泵 離心泵:IS型臥式離心泵 離心泵:單級雙吸臥式離心泵 ISWR臥式熱水管道泵